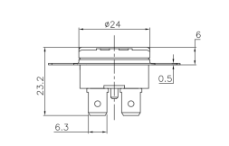
KSD302 general purpose
It is specially designed for water heater to sense temperature change with high precision and realize intelligent control. Corrosion resistance, high temperature resistance, to ensure long-term use.
